- Multiplica el par de apriete por 10 veces. Viene con un certificado de calibración. Los modelos DECA450N a DECA3000N se actualizaron a los modelos DECA450N2 a DECA3000N2 en la serie DECA2 el 22 de marzo de 2021.
- Diseñado para multiplicar el par de salida por 10 veces el par de entrada para que el operador pueda trabajar solo incluso cuando se requiere un gran par.
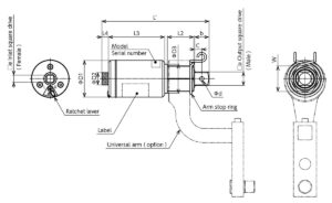
- Con el diseño compacto en forma de cilindro, se puede utilizar para trabajos de apriete en espacios reducidos.
- Los modelos de la serie DECA2 (DECA450N2 a DECA3000N2) son hasta un 30 % más livianos y tienen una longitud total hasta un 22 % más corta que sus predecesores DECA. Tienen un mecanismo de trinquete como una nueva característica añadida, para mejorar la trabajabilidad en espacios reducidos.
- La serie DECA (DECA4500N a DECA18000N) viene con un dispositivo de giro rápido en el lado de entrada para una operación más rápida.
- Una serie varía de pequeña a grande, para cubrir diversas aplicaciones.
- El brazo de reacción (= brazo universal, se vende por separado) se adapta a varias formas de aplicaciones.
- Todos los modelos vienen con un certificado de calibración.
Especificaciones :







