- Spintork®, ST3-G Digital Torque Checker es el equipo de medición de torque de tipo rotativo recargable más compacto del mundo. (Patentado)
- Ideal para controles de mantenimiento de torque de rutina en aprietatuercas.
- Permite a los operadores realizar comprobaciones de par (inspecciones de rutina) de equipos de apriete de husillos múltiples mientras continúan apretando al mismo tiempo. La conexión de la barra de extensión opcional, que tiene la misma longitud que la ST3, a husillos no instalados con Spintork® facilita la verificación del par sin quitar el aprietatuercas del equipo de apriete de husillos múltiples. Esto reduce los pasos en el proceso de inspección de calidad.
- Con el modelo ST3-G-BT de la versión equipada con Bluetooth®, es posible inspeccionar aprietatuercas en línea y recopilar comprobaciones de par de forma inalámbrica.
- ST3-G está equipado con un sensor de ángulo. Si el apriete se realiza con un aprietatuercas manual acoplado al ST3-G, la comprobación del par y del ángulo se puede realizar al mismo tiempo que las operaciones de apriete. (*Nota: las medidas de los ángulos son medidas de los valores de par ajustado establecidos).
- Cuando el cable de conexión USB suministrado se conecta a una PC, los datos de par de apriete y ángulo determinados a través de mediciones con un medidor rotatorio de par máximo ST3-G SpinTork se pueden analizar y controlar en formato Excel utilizando ExRcv para ST3. (ExRcv para ST3 es gratuito con la compra y está disponible para descargar a pedido).
- El ST3-G-BT se puede utilizar para crear gráficos de par y ángulo. Con un ST3-BT equipado con Bluetooth®, el par y el ángulo se pueden medir y registrar continuamente, y los datos ajustados hasta el final se transmiten de forma inalámbrica a una PC. Luego, después de que ExRcv para ST3 recopile los datos en un archivo de Excel, se pueden crear gráficos que muestren los valores de par y ángulo de apriete. (*Nota: cuando el ST3 no es la versión -BT, la memoria almacena solo los datos de ángulo en el momento del registro y el par máximo, y no se pueden crear gráficos).
- Se puede crear un sistema de gestión de datos de apriete para dispositivos de la serie ST3-BT / ST3-G-BT equipados con Bluetooth, mediante el uso del software TDMS especial modificado a medida
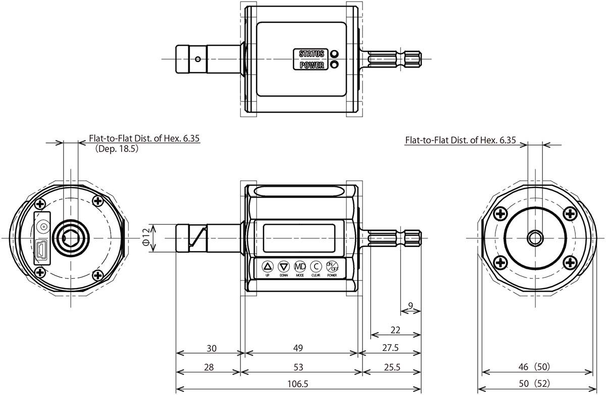
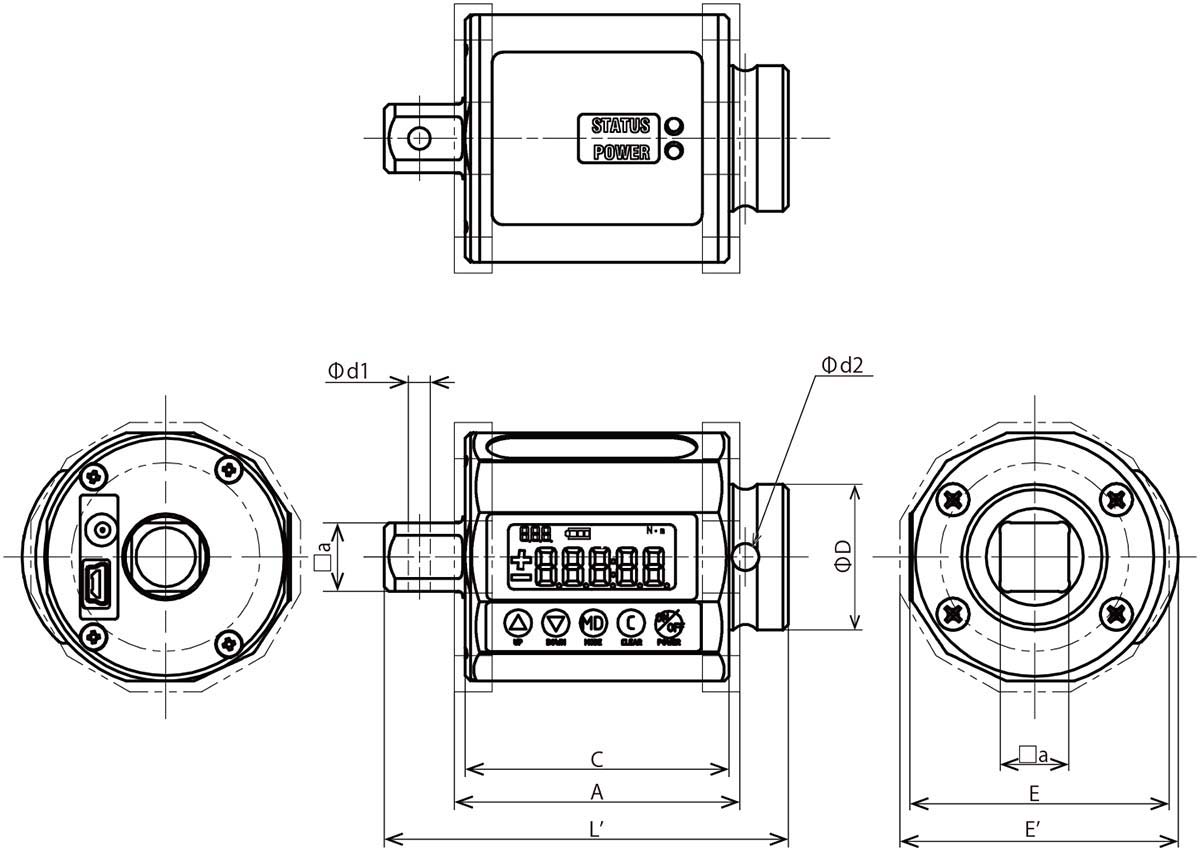
Especificaciones:



ST10N3(-BT)~ST1000N3 (-BT)

ST15N3-6.35 (-BT)