- Sensor de par para la comprobación precisa de varios dispositivos de par.
- Inspección de herramientas dinamométricas y aprietatuercas.
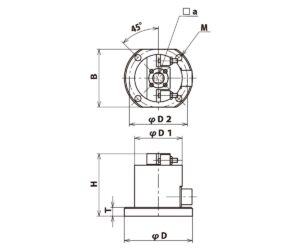
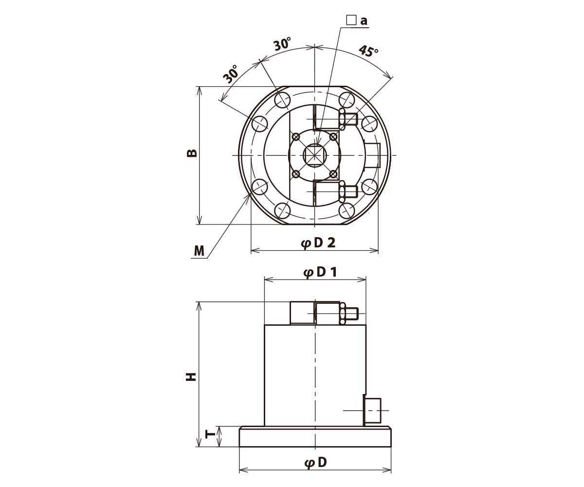
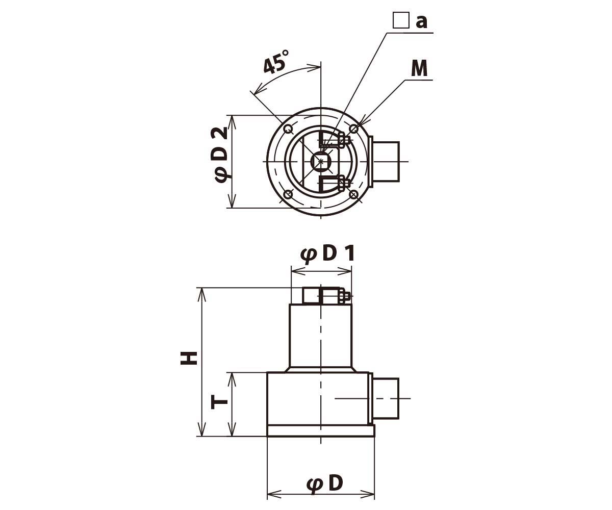
- Sensor de torque estacionario montado en la parte superior del banco.
- El propio TCF está en una posición fija y detecta el par transferido desde las herramientas de par por la fuerza de reacción.
- La operación con TP, la pieza de prueba proporciona una medición de alta precisión.
- Es posible instalarlo en un dispositivo especial como detector de precarga.
- El tope está equipado para evitar el exceso de torsión.
- Aplicable para una variedad de usos en combinación con accesorios opcionales, DTF, TTF y ATG.
Especificaciones :







